Spotreba energie na vykurovanie/chladenie a ohrev teplej vody z externých zdrojov, a tým aj náklady na prevádzku budúcich budov sa dajú výrazne znížiť, ak sa tepelná pohoda interiéru udržiava stabilizáciou teploty pomocou systému stropných výmenníkov tepla vyrobených z penového hliníka. Tieto inovatívne stropné radiátory teplo nielen efektívne a rovnomerne distribuujú v priestore, ale súčasne dokážu veľké množstvo tepla na niekoľko dní aj uskladniť pomocou akumulovania latentného tepla do materiálu s fázovou premenou (Phase Change Material – PCM) integrovaného v pórovitej štruktúre penového hliníka.

Pri chladení sa prebytočné teplo generované v budove počas slnečných dní akumuluje do radiátorov vo forme latentného tepla a neskôr v noci sa dá rozptýliť do studeného okolia budovy pomocou nového typu strešnej krytiny s funkciou výmenníka tepla, takisto vyrobenej z penového hliníka. Riadiaci systém zabezpečuje, aby sa teplo akumulované strešnou krytinou v prípade slnečných dní efektívne využívalo predovšetkým na pokrytie energetických potrieb pre vykurovanie interiérov a ohrev teplej vody.
![Obr. 2: Uskladňovanie energie do PCM, vody a tepelného zásobníka vyplneného kamennou drťou [3] Obr. 2: Uskladňovanie energie do PCM, vody a tepelného zásobníka vyplneného kamennou drťou [3]](https://demo.imaterialy.cz//wp-content/uploads/obrazky/5c753ad1b0e3d/vymeniky02_191x230.jpg)

Významnou nevýhodou ľahkých stavebných konštrukcií, ktoré sa v súčasnosti stavajú najmä z dôvodu úspory nákladov na energiu potrebnú na výrobu betónu a iných stavebných materiálov, je ich veľmi nízka merná tepelná kapacita c (t. j. množstvo tepla v J, ktoré je potrebné dodať 1 g materiálu, aby sa jeho teplota zvýšila o 1 K). Budovy by preto bez nadmerných nákladov na izoláciu vonkajšej obálky mali tendenciu k veľkým teplotným výkyvom, ktoré by viedli k vysokým nárokom na zimné vykurovanie a letné chladenie. Možným riešením je použitie PCM v takýchto budovách, ktoré dokáže pri minimálnom objeme a hmotnosti akumulovať veľké množstvo latentného tepla pričom zachováva konštantnú teplotu (obr. 1).
Materiál s fázovou premenou (PCM) integrovaný v povrchovej vrstve vnútorných stropných výmenníkov tepla je schopný akumulovať veľkú časť tepla zo slnečného žiarenia dopadajúceho na strechu budovy bez zvýšenia teploty výmenníkov (obr. 2) v prípade, že aktívne vnútorné panely sú prepojené s termosolárnym strešným systémom cez cirkulujúce teplonosné kvapalné médium. Počas horúcich letných dní dokáže ten istý systém efektívne odvádzať prebytočné teplo z interiéru do fázovej premeny PCM (znova pri konštantnej teplote) a počas chladnejších nocí ho rozptýliť cez tepelne aktívnu strešnú krytinu (alebo cez fasádu) do okolia budovy. Stabilná teplota v budove sa takto dá dlhodobo dosahovať aj pri značných výkyvoch vonkajšej teploty, pričom systém sa pri ohreve teplom kontinuálne nabíja, keď je teplota strešnej krytiny vyššia ako požadovaná interiérová teplota (T > 25 °C), napr. počas slnečných dní, a pri chladení naopak vybíja v čase keď je nižšia, napr. počas chladnej noci (T < 20 °C). Akumulované teplo v optimálnom prípade dokáže medzi „nabitím“, resp. „vybitím“ vykryť aj niekoľkodňové tepelné straty interiéru, a udržať v ňom tak stabilnú teplotu. Hlavnou prekážkou, ktorá v súčasnosti bráni aplikácii rôznych materiálov s fázovou premenou v stavebníctve, je veľmi nízka tepelná vodivosť PCM, ako aj konvenčných pórovitých stavebných materiálov (napr. sadrokartónových dosiek, pórobetónov a pod.).
Vhodným technickým riešením eliminujúcim tento nedostatok je použitie veľkoplošných stropných panelov z hliníkovej peny, ktoré dokážu efektívne zabezpečovať prenos tepla z/do vnútorného prostredia do/z teplonosného kvapalného média prúdiaceho v rúrkach zapenených do hliníkovej peny (obr. 3). Ak sa póry peny navyše vyplnia vhodným PCM, teplo sa pred prechodom z interiéru do kvapaliny alebo naopak najskôr akumuluje vo forme latentného tepla v PCM, čím sa dá dosiahnuť požadovaný časový posun medzi dobou, kedy sú na ohrev, resp. chladenie vhodné vonkajšie podmienky (slnko/noc). Vysoká vodivosť stien pórov hliníkovej peny umožňuje rýchly transfer tepla aj do veľkých objemov PCM umiestených v póroch. Do 1 m2 sa pritom pri hrúbke panela 10 mm dá umiestniť viac ako 6 kg PCM. Veľká radiačná plocha panelu (napr. celý strop) na druhej strane umožňuje na udržanie stabilnej tepelnej pohody interiéru využívať aj nepatrné rozdiely teploty panelu a interiéru, a pracovať tak s nízkopotenciálovým zdrojom tepla.
Energetická spotreba budov na udržiavanie dostatočného tepelného pohodlia
Spotreba energie na vykurovanie a chladenie budov sa v súčasnosti minimalizuje najmä dostatočne tepelne izolovanou obálkou budovy, ktorá udržuje teplo počas zimy v budove a počas leta mimo budovy bez výrazného prestupu tepla cez obálku budovy. Vhodná veľkosť a orientácia okien umožňuje zvýšiť využitie solárnej energie počas zimnej sezóny v súčasnosti stavaných pasívnych domoch. Tento prístup však spôsobuje značné problémy v horúcich letných dňoch, keď je naopak žiaduce aby bol inte-riér slnečnou energiou vyhrievaný čo najmenej. Náklady na udržiavanie dostatočného tepelného pohodlia počas dní s tropickým letným počasím sú preto zvýšené požiadavkami na dostatočné zatienenie interiéru žalúziami, inštaláciu klimatizačných, ventilačných a rekuperačných jednotiek, ktoré dokážu relatívne chladnejší vzduch získať napr. z podzemných priestorov v okolí budovy alebo na jej severnej fasáde.


Využitie nasledujúcich nových technických princípov sa preto javí byť skvelou príležitosťou pre výrazné zníženie energetickej náročnosti vykurovania/chladenia a ohrevu teplej vody, ktoré môže viesť k značnej úspore nákladov na výstavbu a prevádzku budúcich budov:
– Tepelné pohodlie v interiéri je počas celého roka udržiavané stabilizáciou teploty pomocou systému veľkoplošných stropných výmenníkov tepla z penového hliníka (obr. 3), ktoré umožňujú krátkodobé uskladňovanie tepla vo forme latentného tepla fázovej premeny PCM impregnovaného v pórovitej štruktúre penového hliníka.
– Konštrukcia základovej dosky budovy je navrhnutá tak, aby mala možnosť sezónneho uskladňovania letných prebytkov tepla, ktoré sa môžu využiť na vykurovanie interiérov najmä počas zimnej sezóny.
– Strešná krytina celej strechy budovy je takisto aktívnym výmenníkom tepla, ktorý dokáže zo solárnych ziskov a z okolia budovy získavať teplo potrebné na udržiavanie dostatočného tepelného pohodlia v interiéri v zimnej sezóne a ohrev teplej vody v lete, ale aj efektívne odvádzať nežiaduce teplo do okolia budovy počas chladnejších letných nocí (obr. 4).


Fázové premeny medzi tuhým a tekutým stavom sa javia veľmi atraktívnymi pre využitie v systémoch skladovania tepelnej energie. Samotné PCM však nemožno použiť ako teplonosné médium. Na účely prenosu tepelnej energie cez výmenník tepla je vhodné využívať samostatné kvapalné médium, ktoré dokáže efektívne prenášať teplo zo zdroja do výmenníka naplneného PCM a z neho ďalej do interiéru alebo naopak. Výmenník tepla však musí byť navrhnutý tak, aby dokázal čo najlepšie eliminovať nevýhodu extrémne nízkej tepelnej vodivosti takmer všetkých PCM.
Použitie dostatočne pórovitých kovových štruktúr s vysokou tepelnou vodivosťou stien pórov, akými sú hliníkové peny, je veľmi vhodným riešením pri konštrukčnom návrhu takýchto výmenníkov.
PCM na báze parafínových voskov alebo mastných kyselín poskytujú týmto spôsobom možnosť uskladňovania a uvoľňovania veľkého množstva latentného tepla počas jeho fázovej zmeny z tuhej do kvapalnej fázy a naopak (~200 až 250 J/g) pri takmer konštantnej teplote. To umožňuje udržať výmenník na požadovanej teplote dlhšiu dobu bez toho, aby bolo potrebné okamžite všetko naakumulované teplo ihneď rozptýliť do okolia výmenníka. Len mierne vyššia teplota kvapaliny v porovnaní s teplotou topenia použitého PCM je postačujúca, aby výmenník mohol teplo efektívne uskladňovať. V prípade, ak sa výmenník tepla používa na účely odvádzania nežiaduceho nadmerného tepla z interiéru budovy, teplo sa spotrebuje na roztavenie PCM, čím sa udržiava teplota na požadovanej úrovni, kým sa všetok parafínový vosk (prípadne PCM na báze mastných kyselín) neroztopí.
Na základe testov panelov z penového hliníka impregnovaných PCM RUBITHERM® RT28HC s teplotou topenia 27 až 29 °C (hustota PCM v pevnom stave je 0,88 g/cm3 a v kvapalnom stave 0,77 g/cm3) bolo v klimatickej komore experimentálne overené množstvo latentného tepla, ktoré je možné opakovateľne uskladňovať a neskôr odvádzať prostredníctvom teplonosnej kvapaliny pri konštantnej teplote. Ak zoberieme do úvahy panel z penového hliníka s rozmermi 600×600×10 mm s objemom 3600 cm3, s hustotou 0,5 g/cm3 a hmotnosťou 1,8 kg, hmotnosť 1 m2 stropných panelov je 5,4 kg a môže sa do nich naplniť približne 7,24 kg PCM RUBITHERM® RT28HC. Pretože 1 kg PCM je schopný naakumulovať približne 250 kJ latentného tepla, počas fázovej premeny PCM z tuhého do kvapalného stavu môže každý 1 m2 stropných panelov z penového hliníka s pórmi plne naplnenými PCM uskladniť až 1810 kJ (t. j. ~503 Wh) tepla.
Zastrešenie šikmých striech znižujúce spotrebu energie
Možnosť akumulovať veľké množstvo latentného tepla v stropných paneloch s cieľom znížiť energetické nároky na udržanie dostatočného tepelného pohodlia v interiéroch budov prináša obrovskú príležitosť na prispôsobenie požiadaviek na vlastnosti strešných krytín tak, aby lepšie využívali tepelné prebytky zo solárnych ziskov, ktoré stavebný priemysel v súčasnosti využíva len veľmi neefektívne. Konštrukcia strešnej krytiny pritom môže využívať výhody systému na uchovávanie tepla potrebného na prevádzku budovy, ktorý je prezentovaný v tomto príspevku, a to nielen kvôli sezónnej akumulácii tepla nahromadeného v čase, kedy je tepla zo solárnych ziskov dostatok (v horúcich letných dňoch), ale aj kvôli možnosti veľmi efektívneho odvádzania veľkého množstva prebytočného tepla nahromadeného počas celého dňa v interiéri cez strešnú krytinu do okolia budovy počas chladnejších letných nocí.
Hlavné požiadavky na tepelne aktívne zastrešenie šikmých striech, ktoré znižuje spotrebu energie budovy postavenej podľa tejto koncepcie, možno zhrnúť takto:
– strešná krytina musí byť dostatočne odolná voči poveternostným vplyvom, mrazu, intenzívnemu slnečnému žiareniu, letným horúčavám, chemickým látkam vo vzduchu, chemicky znečisteným vodným parám a mechanickému poškodeniu spôsobenému nepriaznivými poveternostnými podmienkami (napr. silné zrážky, krúpy a pod.),
– strešná krytina musí poskytovať značné tepelné zisky aj vtedy, keď je teplota okolo budovy nízka, ale slnečné lúče dopadajúce na strechu sú dostatočne intenzívne,
– množstvo tepla nahromadené strešnou krytinou v horúcich letných dňoch je dostatočne nízke, aby sa počas letných nocí mohlo rozptýliť do okolia budovy spolu s teplom kvapalného teplonosného média, ktoré odvádza teplo z interiéru potrubím integrovaným do penového hliníka, z ktorého je strešná krytina vyrobená,
– výrobné náklady na tepelne aktívnu strešnú krytinu pre šikmé strechy budov musia byť len o niečo vyššie v porovnaní s výrobnými nákladmi na klasické strešné krytiny používané v súčasnosti stavaných budovách, ktoré spĺňajú spolu s dodatočnou tepelnoizolačnou vrstvou najmä funkciu tepelnej izolácie strechy a ochrany voči prenikaniu dažďovej vody a vodnej pary do interiéru,
– tepelne aktívna strešná krytina musí byť architektonicky navrhnutá tak, aby pokrývala celú šikmú strechu budovy (aby bola súčasťou strechy bez toho, že by bolo možné rozpoznať miesta, z ktorých sa získava teplo zo solárnych ziskov od zvyšku strechy).



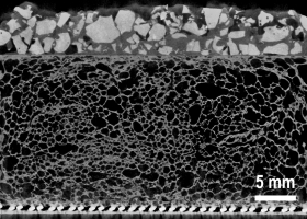
V regiónoch, kde slnko intenzívne žiari na povrchu južných šikmých striech počas prevažnej časti roka, je výhodné použiť strešný dizajn znázornený na obr. 5. Výhodou takejto strechy je, že všetko prebytočné teplo nahromadené v interiérových stropných paneloch sa môže počas každej chladnej noci rozptýliť pomocou kvapalného teplonosného média do okolia budovy. Povrch strechy musí byť z týchto dôvodov prispôsobený tak, aby výmena tepla medzi okolitým vzduchom a kvapalinou prenášajúcou teplo prúdením cez rúrky uložené v štruktúre tepelne vodivého hliníkového penového strešného plášťa bola čo najintenzívnejšia. Využitie rôznych kompozitných systémov s matricou na báze hliníkových zliatin, ktorá v procese výroby strešnej krytiny zatečie medzi častice vystužujúce povrchovú vrstvu krytiny (kovové alebo keramické častice, čadičová drť, rozdrvené recyklované penové sklo a pod.) sa javí pre tento účel ako veľmi prospešné. Povrch strešnej krytiny musí byť dostatočne odolný aj voči akémukoľvek mechanickému poškodeniu spôsobenému silnými zrážkami, krúpami a inými nepriaznivými poveternostnými podmienkami. Z technologického hľadiska je však jednoduchšie a podstatne lacnejšie kryciu povrchovú vrstvu strešnej krytiny vytvoriť z kompozitov s termosetovou polymérnou matricou (napr. epoxidová živica, polyimid, polyuretán a pod.) alebo s bitúmenovým tmelom vystuženým jemnozrnným čadičovým kamenivom (obr. 6 a 7).
Variabilita rôznych povrchov otvára možnosť dosiahnuť vhodný estetický vzhľad strešnej krytiny, jej farebnú stálosť a zároveň možnosť zachovať vysokú mechanickú a chemickú odolnosť voči atmosférickým vplyvom v rôznych klimatických oblastiach. Za účelom dosiahnutia vysokej tuhosti a nízkej hmotnosti strešnej krytiny, je veľmi výhodné spevňovať jej spodnú povrchovú vrstvu pomocou perforovaného plechu (ťahokovu) z korozivzdornej austenitickej chrómniklovej ocele.
Záver
Tento príspevok poukazuje na možnosť využitia penového hliníka na účely výroby strešnej krytiny a stropných vykurovacích/chladiacich interiérových panelov. Tepelne aktívna strešná krytina je schopná nielen účinne získať teplo zo solárnych ziskov a z okolia budovy, ale aj v prípade potreby nežiaduce teplo rozptýliť do okolia. Teplonosná kvapalina zabezpečuje prenos tepla medzi interiérom a okolím budovy, pričom stropné panely z penového hliníka impregnované PCM dokážu uchovávať veľké množstvo latentného tepla fázovej premeny PCM za účelom zabezpečenia dostatočnej tepelnej pohody s minimálnymi nárokmi na externe dodávanú energiu. Zásady analyzované v tomto príspevku sa však môžu vo všeobecnosti používať v stavebníctve na navrhovanie ľubovoľnej konštrukčnej časti, ktorá tvorí vonkajšie obvodové plášte s integrovanou funkciou energeticky efektívneho výmenníka tepla.
JAROSLAV JERZ, FRANTIŠEK SIMANČÍK, JOZEF ŠEBEK, PETER TOBOLKA, JAROSLAV KOVÁČIK, JÁN ŠPANIELKA
foto archív autorov
Poďakovanie
Autori príspevku ďakujú za finančnú podporu spoločnej Vedeckej grantovej agentúre Ministerstva školstva, vedy, výskumu a športu SR a Slovenskej akadémie vied (príspevok vznikol na základe zmluvy VEGA 2/0152/17 (projekt Štúdium progresívnych materiálov vhodných pre veľmi efektívne uskladňovanie tepla) a Agentúre na podporu výskumu a vývoja, APVV-17-0580 (projekt Výskum strešnej krytiny s integrovanou funkciou výmenníka tepla, akronym: RoofFoam).
Literatúra:
1) JERZ J., F. SIMANČÍK, Ľ. OROVČÍK. Advanced solution for energy storage in net zero-energy buildings, Mechanical Technologies and Structural Materials 2014, Split: Croatian Society for Mechanical Technologies, 2014, 47–54.
2) JERZ J., P. TOBOLKA, V. MICHENKA, T. DVORÁK. Heat storage in future zero-energy buildings, International Journal of Innovative Research in Science, Engineering and Technology, vol. 4, iss. 8, 2015, 6722–6728.
3) JERZ J., F. SIMANČÍK, J. ŠPANIELKA, J. ŠEBEK, J. KOVÁČIK, P. TOBOLKA, T. DVORÁK, Ľ. OROVČÍK. Energy demand reduction in nearly zero-energy buildings by highly efficient aluminium foam heat exchangers. In: Materials Science Forum, 2018, vol. 919, p. 236–245.
4) SHARMA A., V. V. TYAGI, C. R. CHEN, D. BUDDHI. Review on thermal energy storage with phase change materials and applications. Renewable and Sustainable Energy Reviews 13 (2009) 318–345.
5) BRUNA F. Using phase change materials (PCMs) for space heating and cooling in buildings, Proceedings of AIRAH 2004 – Conference of enhanced buildings environmentally sustainable design, 2004, 26–31.
6) KENISARIN M., K. MAHKAMOV. Solar energy storage using phase change materials. Renewable and Sustainable Energy Reviews 11, 2007, 1913–1965.
7) HIMRAN S., A. SUWONO, G. A. MANSOORI. Characterization of alkanes and paraffin waxes for application phase change energy storage medium. Energy Sources, vol. 16, no. 1, 1994, 117–128.
8) INABA H., P. TU. Evaluation of thermophysical characteristics on shape-stabilized paraffin as a solid-liquid phase change material. Heat and Mass Transfer 32, 1997, 307–312.
9) DOTSENKO S. P., A. B. MARTSINKOVSKII, V. N. DANILIN. Thermal storage properties of n-paraffins, fatty acids and multicomponent systems on their basis. e-Journal: Fiziko-khimicheskii analiz svoistv mnogokomponentnykh system, vol. 1, in Russian, 2004.
10) VELRAJ R., R. V. SEENIRAJ, B. HAFNER, C. FABER, K. SCHWARZER. Experimental analysis and numerical modeling of inward solidification on a finned vertical tube a latent heat storage unit, Solar Energy 60, 5, 1997, 281–290.
11) RUBITHERM® RT28HC Data sheet, Rubitherm Technologies GmbH, Berlin, 2013.
12) RUBITHERM® RT44HC Data sheet, Rubitherm Technologies GmbH, Berlin, 2014.
13) SHARMA A., C. R. CHEN. Solar water heating system with phase change materials. International review of chemical engineering, vol. 1, no. 4, 2009, 297–307.
14) PARAFOL C12 – C22 – High purity normal paraffins. Corporate brochure of Sasol Performance Chemical, Organics Division, Hamburg, Germany, 2016.
15) WANG L., D. MENG. Fatty acid eutectic/polymethyl methacrylate composite as form-stable phase change material for thermal energy storage. In: Applied Energy 87, 2010, 2660–2665.
16) TUNÇBILEK K., A. SARI, S. TARHAN, G. ERGÜNES, K. KAYGUSUZ. Lauric and palmitic acids eutectic mixtures as latent heat storage material for low temperature heating applications. In: Energy 30, 2005, 677–692.
17) ZUO J., W. LI, L. WENG. Thermal performance of caprylic acid/1-dodecanol eutectic mixture as phase change material (PCM). In: Energy and Buildings 43, 2011, 207–210.
18) http://pubchem.ncbi.nlm.nih.gov/compound/oleic_acid.
19) http://webbook.nist.gov/cgi/cbook.cgi?ID=C112801&Mask=6F.
20) SATO K., N. YOSHIMOTO, M. SUZUKI, M. KOBAYASHI, F. KANEKO. Structure and transformation in polymorphism of petroselinic acid (cis-ω-12-octadecenoic acid). In: J. Phys. Chem. 94, 1990, 3180–3185.
21) PI F., F. KANEKO, M. IWAHASHI, M. SUZUKI, Y. OYAKI. Solid-State Low Temperature – Middle Temperature Phase Transition of Linoleic Acid Studied by FTIR Spectroscopy. In: J. Phys. Chem. B, 115, 2011, 6289–6295.
22) CHERNOUSOV A. A., B. Y. B. CHAN. Novel form-stable phase change material composite for high-efficiency room temperature control. In: Solar Energy Materials and Solar Cells 170, 2017, 13–20.
23) PUTRI W. A., Z. FAHMI, I. M. SUTJAHJA, D. KURNIA, S. WONORAHARDJO. Thermophysical parameters of coconut oil and its potential application as the thermal energy storage system in Indonesia. In: Journal of Physics: Conference Series 739, 2016.
24) JERZ J., F. SIMANČÍK, J. KOVÁČIK, J. ŠPANIELKA. Aluminium foam for thermo-active pitched roofs of nearly zero-energy buildings. In: Mechanical Technologies and Structural Materials 2017, Split: Croatian Society for Mechanical Technologies, 2017, 49–58.
Dr. Ing. Jaroslav Jerz (*1965)
absolvoval doktorandské studium na Technické univerzitě ve Vídni. Je vědeckým pracovníkem v Ústavu materiálů a mechaniky strojů SAV, v. v. i., v Bratislavě.
Dr. Ing. František Simančík (*1962)
absolvoval doktorandské studium na Technické univerzitě ve Vídni. Je vědeckým pracovníkem v Ústavu materiálů a mechaniky strojů SAV, v. v. i., v Bratislavě.
RNDr. Jozef Šebek, CSc., (*1956)
absolvoval studium fyziky na Přírodovědecké fakultě UK v Bratislavě a doktorandské studium v Ústavu polymerů SAV v Bratislavě. Je vědeckým pracovníkem v Ústavu materiálů a mechaniky strojů SAV, v. v. i., v Bratislavě.
Ing. Peter Tobolka (*1959)
absolvoval studium přístrojové regulační a automatizační techniky na Strojnické fakultě STU v Bratislavě. Je odborným pracovníkem v Ústavu materiálů a mechaniky strojů SAV, v. v. i., v Bratislavě.
Ing. Jaroslav Kováčik, PhD., (*1967)
absolvoval doktorandské studium na Elektrotechnické fakultě STU v Bratislavě. Je vědeckým pracovníkem v Ústavu materiálů a mechaniky strojů SAV, v. v. i., v Bratislavě.
Ing. Ján Španielka (*1983)
absolvoval doktorandské studium na Materiálovětechnologické fakultě STU v Trnavě. Je vědeckým pracovníkem v Ústavu materiálů a mechaniky strojů SAV, v. v. i., v Bratislavě, v pobočce ústavu INOVAL ve Žiaru nad Hronem.




