Poruchy

Hydroizolace nepodsklepených rodinných domů

Při posuzování hydroizolací se stále ještě setkáváme s názorem, že u nepodsklepených staveb stačí uvažovat s namáháním hydroizolace pod podlahami přízemí zemní vlhkostí a obvod stavby je třeba chránit před odstřikující vodou. Na dvou stavbách z mnoha ukážeme, že řešení ochrany nepodsklepené stavby před vodou si zaslouží hlubší zamyšlení.

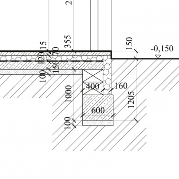
V prvním příkladu se podívejme na nepodsklepený dům postavený na svahu tvořeném nepropustnými zeminami. Jak projektant rozhodl o výškovém osazení domu do terénu, je patrné z kót ve výkresu řezu (obr. 5 a 6, kde jsou části z výkresu řezu). Vodorovná hydroizolace je 4 cm pod povrchem terénu. Hned při prvním přívalovém dlouhodobém dešti po dokončení domu se objevily skvrny vzlínající vlhkosti na vnitřních stěnách. Obr. 3 a 4 zachycuje zaplavené okolí domu při tomto dešti, bylo to ještě v době před dokončením terénních úprav. Voda valící se ze svahu naplnila, a při dalším takovém dešti zase naplní, podsyp a spáry dlažby, zásypy přípojek a zřejmě i násypy terénních úprav kolem domu. Na vodorovnou hydroizolaci se všemi prostupy a etapovým spojem se svislou hydroizolací na obvodu stavby v takové situaci voda působí malým hydrostatickým tlakem. A je jí hodně. Obr. 2 zachycuje vodu stékající ze svahu ještě den poté, co déšť ustal.

Obr. 1Obr. 2

Obr. 3Obr. 4

Obr. 5Obr. 6

Ještě horší situace nastala u domu v druhém příkladu. Je postaven v lokalitě s jílovitou zeminou, kde navíc nebyla možnost zaústit dešťové svody do kanalizace. Tvar okolního terénu je patrný z obr. 7 a 8. Dům je v dolíku, ze kterého nemá voda z přívalového deště úniku. Je osazen velmi nízko. V tomto případě sám investor dal nevhodné pokyny projektantovi i realizační firmě. Pohybuje se na vozíku a nechtěl stavbu zatížit náklady na zřízení nájezdové rampy se všemi náležitostmi dle vyhlášky 398/2009 Sb. [1] Již v období výstavby při dešti nastala záplava (obr. 9). Rozsah problému si však investor uvědomil až po prvním letním přívalovém dešti po uvedení do provozu. Dům se stal ostrovem uprostřed bažiny (obr. 10). Voda si rychle našla nedokonalosti v provedení hydroizolace, zvláště netěsnou, nízko položenou spáru mezi svislou částí hydroizolace a stěnou u dveří a na samotném rámu dveří (obr. 11). Nejspíš se projevily i netěsnosti ve spoji mezi vodorovnou a svislou částí hydroizolace. Voda proniklá na horní povrch vodorovné hydroizolace se rychle rozlila po celém půdorysu domu a vzlínala do stěn (obr. 10) a do vrstev pod podlahou. Kromě zhoršení parametrů tepelné izolace způsobila rozvoj mikroorganismů, napadajících materiál podlahové krytiny (obr. 13). Při opravě se musel investor smířit s tím, že se rozkopou po celém obvodu objektu úpravy terénu. Obnažená hydroizolace se sice opravila, rozhodujícím řešením problému je ale odvodnění obvodu stavby a drenáž, pro kterou bylo třeba vyjednat napojení do kanalizace (obr. 11). I tak je dost důvodů k nervozitě při každém přívalovém dešti, odvodnění a drenáž musí být trvale stroprocentně funkční.

Obr. 7Obr. 8

Obr. 9Obr. 10Obr. 11

Obr. 12Obr. 13Obr. 14

Jak to tedy s vodou u nepodsklepených domů je?
Před deseti lety jsem zakoupil rodinný dům v klidné lokalitě, v níž výstavba probíhala ve dvacátých a třicátých letech 20. století. Můj dům je z těch mladších, pochází tedy z konce třicátých let. Do domu vstupuji po dvou schodech na úroveň přízemí cca 38 cm nad terénem, mnozí sousedi mají o jeden až dva schody více. Vodorovná asfaltová (nebo dehtová) izolace mého domu je v úrovni 33 cm nad terénem. Před rekonstrukcí měl dům problémy s vlhkostí, jednalo se ale o kondenzaci na obvodových stěnách nad podlahou. Neměl však problémy se vzlínající vlhkostí ani s vodou valící se po dvoře při přívalovém dešti. Obdobná řešení osazení domů do terénu pozoruji i v sousední čtvrti, kde stojí domy převážně ze 70. let.

Které změny v konstrukčních řešeních a v nabídce stavebních materiálů vedly k tomu, že v současné výstavbě je jen málo domků, do kterých se vchází po schodech? Určitě nastal velký pokrok v materiálech pro povrchové úpravy fasád a soklů. Povrchy jsou odolnější proti stékající a odstřikující vodě. Princip konstrukce vodorovné hydroizolace však zůstal nezměněn. Vlastě ne, on se zhoršil. Zatímco v mém domě z 30. let byla vodorovná hydroizolace původně zhruba 50 mm pod povrchem podlahy, v domě ze 70. let byla 80 mm pod podlahou a tepelněizolační vrstvou, tak v současných domcích to bývá i 200 mm. Při výšce podlahy 150 mm nad terénem (a to je v současné době široko daleko maximum) je tedy vodorovná izolace 50 mm pod terénem. Nejsou však výjimkou ani domy s podlahou v úrovni přilehlého terénu. Není pak obývací pokoj v přízemí spíše suterénní místností? Není, norma ČSN 73 4301 Obytné budovy [2] vztahuje kritérium pro nazvání podlaží podzemním k povrchu podlahy, nikoli hydroizolace (od terénu k podlaze více než 80 mm). Jedná se však jen o název, nikoli o ochranu před vodou.

Ještě v 70 a 80. letech se v oborových normách pro hydroizolace uváděla minimální výška vodorovné hydroizolace nad terénem. V ON 73 0550 Izolace proti vodě (hydroizolace) je uvedeno: U nepodsklepených staveb musí být izolace stěny umístěna ve výšce asi 30 cm nad upraveným terénem.

V ON 73 0606 Izolace asfaltové – Navrhování a provádění i v ON 73 0607 Izolace z měkčeného polyvinylchloridu a pryží – Navrhování a provádění se uvádí: Proti odstřikující vodě srážkové se v závislosti na klimatických podmínkách chrání nadzemní část obvodového pláště izolací III. kategorie, a to buď vodorovnou, umístěnou min. 200 mm nad upraveným terénem pod obvodovými stěnami, nebo svislou, vyvedenou do této výšky po jejich vnějším povrchu. Ustanovení článku se nevztahuje na obvodové pláště, jejichž povrch je odolný proti vnikání vlhkosti.

Do povědomí současných projektantů se z textu zrušených oborových norem zřejmě přenesla pouze věta o svislé hydroizolaci, a to bez vazby na hydrofyzikální namáhání. Je také možné, že řešení se svislou hydroizolací přinesli čtenáři německé normy DIN 18 195-4. Ve výkresech řezů ve velkém množství projektů RD v současné době vidíme vodorovnou hydroizolaci pod úrovní terénu, na kterou navazuje svislá izolace vytažená obvykle do určité výšky nad terén.

Jak je obvod stavby namáhán vodou? Představme si, jaké vrstvy a povrchy se obvykle vyskytují v terénních úpravách kolem obvodu domu, jak bývá terén kolem domu tvarován, představme si, co se děje při letním přívalovém dešti nebo při tání sněhu kolem domu nebo se podívejme na obr. 2, 3, 4 nebo 9. Nejspíš se shodneme, že i na obvodu nepodsklepené stavby musíme počítat, byť krátkodobě, s tlakovou vodou.

Jaké má výše popsaná hydroizolace nepodsklepené stavby šance vzdorovat tlakové vodě? Výše popsané řešení s vodorovnou a svislou izolací má dvě slabá místa. Jedno z nich je po celém obvodu stavby – etapový spoj. Pokud budeme při realizaci brát vážně nakreslený detail na obr. 5, zrealizuje se na upraveném horním povrchu základových pasů vodorovná hydroizolace s přesahem přes obvod základů a tento přesah bude po celou dobu výstavby obvodových stěn a nejspíš i dalších konstrukcí stavby čekat na izolatéry, aby na něj napojili svislou část hydroizolace. Dovedeme si představit, jak se daří volnému okraji asfaltového pásu vystavenému střídání teplot, botám řemeslníků, trubkám lešení a kusům padajícího stavebního materiálu. Zkušená firma nenechá okraj izolace volně vlát, připevní ho svisle dolů k boku základového pasu nebo základové desky. Mimochodem, v případě projektu citovaného na obr. 5 dá materiál na přesah a spoj ze svého, nebude ho mít ve výměrách. Aby se zvýšily šance, že se takto upravený přesah vodorovné hydroizolace dožije spojení se svislou hydroizolací, měla by se realizovat ochranná dočasná konstrukce. Pro doplnění: přesah vodorovné hydroizolace pro etapový, tzv. zpětný, spoj u podsklepené stavby se obvykle provádí v rovině vodorovné hydroizolace, kde je podložen rozšířeným podkladním betonem. V případě nepodsklepené stavby to však není možné, aby okraj základu vystupoval vodorovně před obvod stěn, v drtivé většině případů se bude osazovat svislá tepelná izolace obvodu základů a soklu. I u zpětného spoje u paty suterénu se v odborné literatuře nedoporučuje použití do podmínek tlakové vody (např. Kutnar: Hydroizolace spodní stavby: 2000). Etapový spoj mezi vodorovnou a svislou hydroizolací na obvodu stavby má tedy malé šance na dosažení těsnosti pro tlakovou vodu, naopak je velká pravděpodobnost, že voda nateče, zvláště v situaci na obr. 2, 3, 4 nebo 9, na vodorovnou hydroizolaci, nejspíš ovlivní tepelněizolační parametry tepelné izolace pod podlahou a vsákne se do paty stěn a příček. Nedej Bože, aby se jednalo o paty stěn dřevostavby.

Tabulka 1: Třídy požadavků na stav chráněného prostředí a vnitřních povrchů podle Směrnice ČHIS 01 [3]

Druhy chráněných prostor

Příklady

Třída požadavků

Prostory do kterých nesmí vnikat voda. Vnikání vody by způsobilo nenahraditelné škody. Vnitřní povrchy ohraničujících konstrukcí musí být suché. Obvykle s požadavkem na stav vnitřního prostředí.

Muzea, galerie, archivy, nemocnice, technologické provozy s cenným vybavením

P1

Prostory do kterých nesmí vnikat voda. Škody vzniklé vniknutím vody lze pojistit. Vnitřní povrchy ohraničujících konstrukcí musí být suché. Obvykle s požadavkem na stav vnitřního prostředí.

Pobytové místnosti, prodejní prostory, suché sklady

P2

Prostory ve kterých mohou být povrchy vlhké, nesmí odkapávat nebo stékat voda.* Nevadí odpar vlhkosti z povrchu konstrukcí. Doporučuje se řízený odvod prosakující vody (spádovaný žlábek se zaústěním do čerpací jímky apod.) Max. množství odtékající vody ze stěn a podlah 0,2 l/h/1 místo výronu a 0,01 l/h/m²

Garáže, prostory s domovní technikou

P3

Prostory do kterých může vnikat voda v malém množství a může odkapávat na osoby, zařízení nebo předměty nebo jsou tyto chráněny vhodným opatřením. Vyžaduje řízený odvod prosakující vody (spádovaný žlábek se zaústěním do čerpací jímky apod.) Vnikání vody neovlivňuje trvanlivost konstrukcí. Nevadí odpar vlhkosti z povrchu konstrukcí. Mokvající místa s měřitelným průsakem max. 2 l/h/1 výron a celkový maximální průsak 1 l/h/m².

Garáže s dostatečnými opatřeními pro ochranu vozidel a osob před vodou, kolektory, revizní chodby kolem obvodových podzemních konstrukcí

P4**

* Vlhkost povrchu konstrukce se obvykle projevuje ztmavnutím povrchu, později výkvěty solí v zónách odparu vody z povrhu.
** Nesmí být v rozporu s hygienickými předpisy pro daný druh využití prostoru. Skapávající nebo stékající vodu nutno odvést. Malé množství vody je takové, které nebrání zamýšlenému využití prostoru.
Zdroj www.hydroizolacnispolecnost.cz

Druhým slabým nebo dokonce ještě slabším místem jsou spoje mezi hydroizolací (tou pod úrovní terénu a rámem vstupních dveří nebo dveří na terasu). V citovaném projektu se neřešil ani podklad pro hydroizolaci, ani hydroizolace samotná – obr. 5. Jen výjimečně je materiál hydroizolace kompatibilní s materiálem rámu tak, aby byla šance vytvořit vodotěsné spojení. Prostě řešeními s nízko osazenými domy zhotovitele staveb, kteří v konečném výsledku nesou zodpovědnost za stavební dílo, namáčíme do vody i do problémů. O pocitech investora dívajícího se na skvrny a výkvěty na patách stěn ani nemluvě.

Připomínám, že svislá izolace nejspíš bude dotčena kotvením tepelněizolačních desek a zakládací lišty, pokud sokl nebude vyřešen dostatečně chytře.

Měl se projektant nebo zhotovitel nešťastného domu z úvodního příkladu o co opřít? V již zmiňované normě ČSN 73 4301 [2] je článek 5.1.3.1:

Úroveň podlahy obytných místností musí být nejméně 150 mm nad nejvyšší úrovní přilehlého upraveného terénu nebo terasy na terénu v pásmu širokém 5,0 m od obvodové stěny s osvětlovacím otvorem a 1,0 m od obvodové stěny bez osvětlovacího otvoru a nejméně 500 mm nad hladinou podzemní vody, pokud místnost není chráněna před nežádoucím působením vody technickými prostředky.

Na tento článek se odkazuje ve vyhlášce č. 268/2009 Sb. § 10 Všeobecné požadavky pro ochranu zdraví, 32 01|2015 zdravých životních podmínek a životního prostředí v bodě 3):

Úroveň podlahy obytné místnosti nad terénem a nad hladinou podzemní vody je dána normovými hodnotami.

Uvedený text, který je nyní v článku 5.1.3.1 ČSN 73 4301 [2], se s různými obměnami pohybuje mezi touto normou a vyhláškou o technických požadavcích na stavby již od dob socialismu. Ve verzi normy ČSN 73 4301 ze srpna 1988 v článku 25 byly ještě z požadavku na úroveň podlahy nad terénem vyjmuty rodinné domy a požadavek na úroveň podlahy nad hladinou podzemní vody chyběl. V roce 1998 se text dostal do vyhlášky MMR č. 137/1998 Sb., o obecných technických požadavcích na výstavbu. V § 22 odstavci 3 je text téměř v současné podobě, jen terén, k němuž se úroveň podlahy vztahuje, je definován jinak. Stále stejných 150 mm při bouřlivě se vyvíjejících tloušťkách vrstev nad vodorovnou hydroizolací (požadavky na prostup tepla, vedou ke zvyšování tloušťky tepelné izolace pod podlahou).

Zásady pro osazování domu na terén podle směrnice ČHIS 01 [3]
Častých problémů s pronikáním vody z povrchu terénu na vodorovnou hydroizolaci staveb si všimli autoři směrnice ČHIS 01 Hydroizolační technika – Ochrana staveb před nežádoucím působením vody a vlhkosti, kterou vydala Česká hydroizolační společnost – odborná společnost ČSSI v roce 2013. V zásadách, které by měl architekt uplatnit při osazování domu do terénu, aby zajistil dostatečnou pravděpodobnost funkčnosti ochrany stavby před vodou, se uvádí:

Zásada 10 – Nepodsklepené stavby, v jejichž prvním nadzemním podlaží se vyskytují chráněné prostory s požadavkem P1 nebo P2, se doporučuje výškově osadit tak, aby vodorovná hydroizolační konstrukce pod prvním nadzemním podlažím byla v úrovni nejméně 150 mm nad nejvyšším bodem upraveného terénu nebo zpevněných ploch v okruhu 1 m kolem objektu.

Pro představu, pro prostory rodinného domu se nejčastěji uplatní požadavek na stav chráněného prostředí třídy P2 (třídy požadavků na stav chráněného prostředí a vnitřních povrchů podle ČHIS jsou uvedeny v tab. 1). Pokud by se projektanti rozhodli respektovat tuto zásadu, dostane se podlaha do úrovně cca 35 cm nad terén, vstup do domu bude mít dva schody nebo rampu a při současných kvalitách materiálů pro povrchové úpravy soklů nejspíš nebude u nepodsklepené stavby svislá hydroizolace nutná.

Svislou hydroizolaci bude samozřejmě třeba řešit u podsklepených staveb. I pro ně je ve směrnici ČHIS 01 uvedena zásada 9:

Podsklepené stavby, v jejichž prvním nadzemním podlaží se vyskytují chráněné prostory s požadavkem P1 nebo P2 se doporučuje výškově osadit tak, aby horní povrch nosné konstrukce nad prvním podzemním podlažím byl v úrovni nejméně 150 mm nad nejvyšším bodem upraveného terénu nebo zpevněných ploch v okruhu 1 m kolem objektu. U podsklepených staveb s ostatními chráněnými prostory v prvním nadzemním podlaží se takové výškové osazení doporučuje.

Na jiných místech směrnice [3] se předpokládá málo propustný povrch přilehlého terénu, jeho sklon od objektu a odvodnění. Také se doporučuje vodu ze střech odvádět tak, aby nepřispívala k namáhání obvodu objektu.

Uvedené zásady byly uplatněny při tvorbě návrhů konstrukcí staveb pro Katalog Stavebniny DEK. Uživatelé katalogu mají jistotu, rozhodnou-li se respektovat texty uvedené pod nadpisem Rady a tipy i grafické řešení konstrukcí, že při návrhu nebo realizaci konstrukce z Katalogu neudělají chybu přinejmenším z hlediska ochrany stavby před vodou.

Co činit, pokud přece jen někdo trvá na tom, že nechce zvedat nohy cestou z venku domů? Správně bychom takový požadavek neměli vyslyšet, jinak porušíme vyhlášku. Pokud přece jen povedeme úvahy o smysluplném řešení takového požadavku, neobejdeme se nejspíš bez spádovaného, dostatečně širokého, mřížkou zakrytého žlábku na obvodu objektu, nebo na té jeho části, kde není dodržena úroveň podlahy. Žlábek musí být trvale účinně odvodněn. Nejvyšší bod dna takového žlábku by měl být alespoň oněch 150 mm pod úrovní vodorovné hydroizolace nepodsklepeného objektu a nejspíš by měla dostatečně velká část plochy pozemku být níže než dno žlábku, aby na ni mohlo vyústit pojistné odvodnění žlábku.

Závěr
Spojme tedy úsilí stavebních odborníků a přesvědčme investory alespoň rodinných domů, že schody nebo rampa do domu nejsou nic neobvyklého a dostatečná výška úrovně vodorovné izolace nad terénem zvýší jejich šance na život v suchu. Při čtení článku 5.1.3.1 v ČSN 73 4301 [2] je třeba správně číst slovo „nejméně“.

Autor: Ing. Luboš Káně, Ph.D., (*1962)
– absolvoval Stavební fakultu ČVUT v Praze, obor pozemní stavby. Působí ve firmě DEK, a. s., Praha jako technický ředitel a ve znaleckém ústavu DEKPROJEKT. Je členem výboru České hydroizolační společnosti.

Literatura:
1) Vyhláška č. 398/2009 Sb., o obecných technických požadavcích zabezpečujících bezbariérové užívání staveb.
2) ČSN 73 4301:2004 Obytné budovy.
3) Směrnice ČHIS 01 Hydroizolační technika – Ochrana staveb před nežádoucím působením vody a vlhkosti, vydala Česká hydroizolační společnost – odborná společnost ČSSI.