Společnost Kingspan Izolace vyrábí a prodává po celém světě vysoce kvalitní izolační desky z moderních materiálů, určené pro obytné budovy i komerční a průmyslové prostory. Zde chceme představit speciální panely s označením Kingspan Kooltherm K17 určené pro vnitřní zateplení, jimiž lze výrazně vylepšit tepelnětechnické parametry i těch budov, které z různých důvodů nelze zateplit tradiční metodou zvenku – zejména jde o historické, památkově chráněné budovy.
Izolace z rezolové pěny
Izolační desky Kingspan Kooltherm® mají nejvyšší tepelnou účinnost na čtvereční metr ve srovnání s jinými (tradičními) izolačními materiály, jsou trvanlivé, neškodí životnímu prostředí a snadno se zpracovávají. Rezolová pěna se vyrábí napěněním pryskřic do bloků, které se následně řežou na desky a jedno- či oboustranně opatřují skelným vláknem či reflexní hliníkovou fólií. Její použití je výhodné při zateplování fasád rekonstruovaných budov či detailů, kde není místo na velkou tloušťku izolantu, a to pro její velmi dobrou hodnotu součinitele tepelné vodivosti. Oproti materiálům PUR a PIR má lepší tepelněizolační vlastnosti a lepší reakci na oheň. Použití výrobků na bázi rezolové pěny je tak nejsnadnějším způsobem jak splnit současné i budoucí požadavky na výstavbu.
Deska Kooltherm K17
Izolační deska Kingspan Kooltherm K17 z rezolové pěny je opatřena na jedné straně povrchovou úpravou na bázi skleněné tkaniny a na druhé straně uzavřenou parotěsnou hliníkovou fólií, na níž je celoplošně nalepena sádrokartonová deska o tloušťce 12,5 mm. Velmi nízká tepelná vodivost této desky umožňuje při jejím použití minimalizaci tloušťky stavební konstrukce. Malá tloušťka izolace je pak výhodou především u rekonstrukcí, kdy většina obytné plochy a obytného prostoru zůstane i po zateplení zachována.


Technické údaje:
|
Vlastnost |
Hodnota |
|
Třída reakce na oheň (ČSN EN 13501-1) |
B-s1,d0 (holý výrobek) |
|
Hustota |
cca 35 kg/m³ |
|
Pevnost v tlaku při 10% deformaci (ČSN EN 826) |
≥ 100 kPa |
|
Rozměrová stabilita 48 h 70 °C a 90 % RV (délka a šířka) |
≤ 1,5 % |
|
Rozměrová stabilita 48 h −20 °C/+70 °C (délka a šířka) |
≤ 1,5 % |
|
Faktor difuzního odporu μ |
583 |
|
Uzavřené buňky |
min. 90 % |
Deska Kingspan Kooltherm® K17 je standardně dodávána v rozměrech 2600×1200 mm.

Možnosti použití
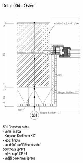
Výše zmíněné vlastnosti i skladba předurčují desku Kingspan Kooltherm® K17 k použití jako ideálního izolačního materiálu pro rekonstrukce z vnitřní strany, ať už stěn nebo stropů. (Budete-li obnovovat stěny i strop, nejprve proveďte instalaci stropních desek!)
Pomocí Kingspan Kooltherm K17 je ale možné zevnitř izolovat nejen zdi, ale i střechu. Sádrokarton umožňuje snadnou a rychlou montáž – izolační desky je možné snadno upravit na požadovaný rozměr například řezáním ruční pilou s jemnými zuby nebo na cirkulárce. Je ale nutné provádět to co nejpřesněji a rovně, aby byla zajištěna souvislá tepelněizolační vrstva.
|
Informace o materiálu: |
Příprava podkladu
Všechny povrchy určené pro aplikaci Kingspan Kooltherm® K17 by měly být čisté, suché a bez volných či odlupujících se materiálů. Pokud při obhlídce místa aplikace zjistíme, že stávající podklad obsahuje plíseň, je důležité ošetřit podklad protiplísňovým roztokem a pečlivě odstranit všechny formy poškození ještě před vlastní aplikací panelů Kingspan Kooltherm® K17. Pokud byl podklad ošetřen proti pronikající vlhkosti, vzlínající vlhkosti a plísním, může se přistoupit k aplikaci až po zaschnutí nátěru.
Všechny úpravy stěn by měly být odstraněny. Je potřeba odstranit rovněž soklové lišty, obrazové lišty, garnýže, římsy a parapety. Zděný podklad by měl být souvislý, nejsou přípustné ani žádné mezery nebo trhliny ve zdivu, všechny musí být předem vytmeleny. Nejsou přípustné ani mezery kolem stavebních otvorů nebo prostupů.
Povrchy, které jsou sypké, znečištěné nebo s extrémně vysokou nebo nízkou pórovitostí, je potřeba náležitě upravit, a to chemickými prostředky nebo rozpouštědly určenými k odstranění znečištění, případně se drobivý materiál odstraní kartáčováním.
Povrch musí být také bez prachu, aby se dosáhlo dobré vazby se zděným nebo betonovým podkladem. Při izolaci betonových konstrukcí by tyto měly být bez vyčnívající armatury a bez přebytků malty.
Poznámky k instalaci
Rozvržení desek je třeba plánovat dopředu. Instalace suchých izolačních obkladů vyžaduje pečlivé provedení detailů zejména kolem dveří a oken, aby bylo dosaženo uspokojivého povrchu pro dokončovací práce. Zejména v koupelnách a kuchyních by se mělo před instalací systému zvlášť dbát na umístění rozvodů. Montáž izolace se začíná od okna, ode dveří nebo rohu místnosti.
Tabulka 1: Součinitel tepelné vodivosti
|
Tloušťka izolace [mm] |
Hodnota λD [W/m.K] Kooltherm (ČSN EN 13166) |
Hodnota λD sádrokartonová deska [W/m.K] |
|
< 45 |
0,021 |
0,250 |
|
45–120 |
0,020 |
0,250 |
Tabulka 2: Tepelný odpor
|
Tloušťka výrobku [mm] |
Hodnota RD izolace [m².K/W] |
Hodnota RD sádrokartonová deska [m².K/W] |
|
50 / 12,5 |
2,50 |
0,038 |
|
60 / 12,5 |
3,00 |
0,038 |
|
70 / 12,5 |
3,50 |
0,038 |
|
80 / 12,5 |
4,00 |
0,038 |
|
90 / 12,5 |
4,50 |
0,038 |
|
100 / 12,5 |
5,00 |
0,038 |
|
120 / 12,5 |
6,00 |
0,038 |




Další informace najdete na www.kingspaninsulation.cz a www.kingspaninsulation.sk.
podle podkladů společnosti Kingspan Izolace




